Kamineinsatz SPARTHERM Varia 1V 11 kW Drehtür, raumluftunabhängig
Wer einen besonders leistungsfähigen und effizienten Kamineinsatz kaufen möchte, der komplett raumluftunabhängig betrieben werden kann, sollte einen genauen Blick auf den SPARTHERM Varia 1V werfen. Dieses Modell mit offizieller RLU-Zulassung erfreut sich großer Beliebtheit, da es für viele Kunden nicht nur preislich, sondern auch umwelttechnisch besonders attraktiv ist.
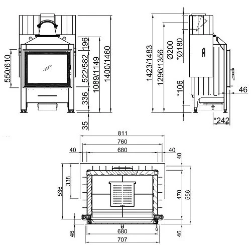
Bereits beim ersten Blick auf die Kaminkassette fällt auf, wie sehr SPARTHERM auf praktische Detaillösungen achtet. So ist die großzügig dimensionierte Drehtür nicht nur besonders einfach zu bedienen, sondern auch in zwei unterschiedlichen Bauhöhen von 51,2 bzw. 57,2 cm verfügbar. Ein weiterer Kaufanreiz für den Kamineinsatz Varia 1V ist dessen attraktive Serienausstattung: So besteht die Sichtscheibe aus vierseitig bedruckter Glaskeramik, außerdem ist der Türanschlag individuell wählbar.
Zwei Leistungsvarianten
Der SPARTHERM Varia 1V ist in zwei Leistungsstufen erhältlich. Je nach Größe des Stellraums kann der Kunde zwischen 7 und 11 kW wählen, so dass sich auch große Räume bis zu 283 m³ mühelos beheizen lassen. Wie effizient die von SPARTHERM entwickelte Feuerungstechnikist, lässt sich auch an seinem Wirkungsgrad von 80 % ablesen. Dies ist nicht zuletzt auf die hohe Speicherkapazität des voll ausschamottierten Brennraums zurückzuführen. Besonders beeindruckend für einen konventionell mit Scheitholz befeuerten Kamineinsatz: 65 Prozent der Wärmeenergie werden in Konvektionswärme umgewandelt, der Rest entweicht durch die Sichtscheibe.
Raumluftunabhängiger Betrieb mit DIBt-Zulassung
Der raumluftunabhängige SPARTHERM Varia 1V ist besonders für den Einsatz in modernen, nahezu hermetisch dichten Niedrigenergie-Häusern gedacht. Dafür verfügt dieses Modell neben einer separat regelbaren Primär- und Sekundärluft über einen zusätzlichen Anschluss für Tertiärluft, die kurz über den Flammen einströmt und dort Partikel einer zweiten Verbrennung zuführt. Für behagliche Wärme ist also stets gesorgt – für die entsprechende Optik sorgen Sie, indem Sie diesen Kamineinsatz ganz nach Ihren Vorstellungen in die gewünschte Raumsituation integrieren.
Permanente Scheibenspülung
Der SPARTHERM Varia 1V ist ein perfekt funktionierender Heizeinsatz, der sich leicht und unkompliziert einbauen lässt. Wie bei allen Heizeinsätzen aus dem Hause SPARTHERM lassen sich auch bei diesem Modell Luftzufuhr und Verbrennungsluftführung besonders einfach regeln.
Dennoch beeinflussen Faktoren wie Schornsteindruck, Konstruktion, Holzmenge, Holzfeuchte und Bedienung die Sauberkeit der Sichtscheibe. Daher wurde der Feuerraum so konstruiert, dass die einströmende Luft vor der Sichtscheibe das Anlagern von Staubpartikeln und Ruß reduziert. Diese Form der Scheibenspülung gilt als besonders effizient.
Kurzzusammenfassung
| • raumluftunabhängiger Kamineinsatz |
| • elegantes Design |
| • hoher Wirkungsgrad |
| • ausgereifte Verbrennungstechnik |
| • selbstschließende Drehtür |
| • permanente Scheibenspülung |
| • einfache Bedienbarkeit |
Weitere Informationen zum Download
Der Schornstein Fachhandel hält für Sie alle wichtigen Informationen über den Kamineinsatz SPARTHERM Varia 1V als PDF-Datei zum Download bereit. Des Weiteren können wir Ihnen Dienstleistungen wie den beliebten Online Produktberater oder auf Wunsch sogar eine komplette 3D-Ofenplanung anbieten. In diesem Fall empfehlen wir eine umfassende Beratung durch unsere Experten, die Ihnen über unsere Chat-Funktion sowie telefonisch unter 08141 / 509 264 0 gerne zur Verfügung stehen.
Der Markenhersteller Spartherm
Die Spartherm Feuerungstechnik GmbH ist einer der führenden Hersteller moderner Feuerstätten in Deutschland und Europa. Mit über 50.000 Einheiten pro Jahr gehört der Markenhersteller von Kaminöfen, Kaminkassetten und Brennzellen zu den Marktführern seiner Branche.
Beim Thema Ökologie setzt das 1986 im niedersächsischen Melle gegründete Unternehmen auf eine noch effektivere Nutzung der anfallenden Energie. So bietet Spartherm für seine Produkte unter anderem adaptive oder integrierte Wasserwärmetauscher mit einem Wasseranteil von 25-80% an.
Den Kamineinsatz SPARTHERM Varia 1V 11 kW Drehtür, raumluftunabhängig können Sie im Schornstein Fachhandel sicher und bequem online kaufen!
1 x Kamineinsatz Spartherm Varia 1V 11 kW Drehtür raumluftunabhängig

















Rezensionen
Es gibt noch keine Rezensionen.