Spartherm Heizeinsatz Renova Cs-50 | 7 kW
Sie benötigen einen neuen Heizeinsatz, der nicht nur den aktuellen Abgasvorschriften entspricht, sondern alte Kachelöfen wirklich aufwertet? In diesen Fall empfiehlt sich der Heizeinsatz Renova Cs-50 aus dem Hause Spartherm: ein gusseiserner Heizeinsatz mit einer großen Feuerungstür. Dieses Modell überzeugt mit seinem robusten, langlebigen Material sowie einer ansprechenden Kaminoptik.
Als größere Variante des Renova Cs-42 unterscheidet sich dieses Modell vor allem durch die Leistung und die Tiefe der Einsätze. Mit einer Nennwertleistung von 7 kW statt 6,5 kW gelingt es dem Renova Cs-50 auch größere Räume optimal aufzuwärmen.
Als langlebige, leicht zu bedienende Lösung mit sauberer Verarbeitung bietet Ihnen der Austausch des Kachelofeneinsatzes durch den Renova Cs-50 folgende Vorteile:
– Entnehmbare Aschelade mit Deckel sorgt für eine saubere Entsorgung der Brennrückstände, die sich zuvor bequem durch den Rüttelrost aus dem Brennraum befördern lassen.
– Selbstschließende Feuerraumtür sorgt für hohe Sicherheit im alltäglichen Betrieb.
– Mischbrand-Geeignet: Heizen mit Holz oder Braunkohle? Bei diesem Modell können Sie die Brennstoffart schnell und problemlos wechseln.
– Spartherm vereint langjährige Erfahrung mit innovativer Technik für qualitativ hochwertige Heizeinsätze bzw. Kachelofeneinsätze. Um eine vergleichsweise hohe Lebensdauer zu ermöglichen, setzt das Unternehmen austenitischen Stahl in besonders hitzebelasteten Bereichen ein. Dank der optimalen Verbindung mechanischer Eigenschaften überzeugt dieses Material durch seine Korrosionsstabilität und ist sehr hitzebeständig.
Technische Daten:
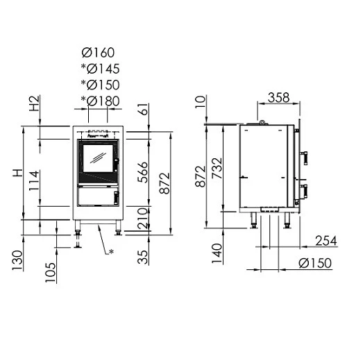
– Türmaß: 567 x 350 mm (Höhe x Breite)
Durch den Austausch des Heizeinsatzes genießen Sie auch weiterhin wohlige Wärme und eine gemütliche Atmosphäre. Mit seiner attraktiven Optik ist dieser Damit Sie auch weiterhin von der wohligen Wärme in Ihren vier Wänden profitieren, empfiehlt sich jetzt der Austausch Ihres Heizeinsatzes. Dank seiner modernen, umwelteffizienten Leistungskraft sind Sie mit dem Renova Cs-50 von Spartherm auf dem neuesten Stand der Technik. Darüber hinaus erfreut die attraktive Kaminoptik dieses Modells, das im Handumdrehen für eine gemütliche Atmosphäre sorgt. Dabei zaubert dieser Heizeinsatz aus dem Hause Brunner ein einzigartiges Flair in Ihre Wohnlandschaft, in der sich Familie und Gäste gleichermaßen wohlfühlen und sich alle wunderbar entspannen.
Genießen Sie die anheimelnde Behaglichkeit nach einem langen Arbeitstag, lassen Sie sich an kalten Wintertagen aufwärmen oder machen Sie an verregneten Sommerabenden aus der Not eine Tugend. Dieser Heizeinsatz verwandelt eine Wohnung oder ein Haus in ein echtes Zuhause. Verwöhnen Sie sich und Ihre Lieben mit dem einmaligen Wohnkomfort eines Kachelofens.
1 x Heizeinsatz Spartherm Renova Cs-50 | 7 kW





















Rezensionen
Es gibt noch keine Rezensionen.